ПРОДУКЦИЯ

Введение в классификацию
Связанные модели

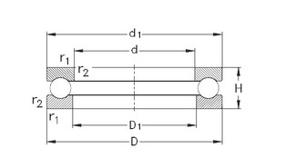
УПОРНЫЙ ШАРИКОВЫЙ ПОДШИПНИК

Производится из: HGF

Введение : Это подшипники, предназначенные для работы в упоре под воздействием осевой нагрузки. Многие упорные подшипники также способны воспринимать небольшие радиальные нагрузки. Кольца упорного подшипника имеют равный (или примерно равный) диаметр, между ними происходит вращение и передача нагрузок. Далее рассмотрим упорные шариковые подшипники, подробнее обо всех типах упорных подшипников 

СООБЩЕНИЕ

Одинарные упорные подшипники 
Одинарные упорные шарикоподшипники состоят из тугого кольца с дорожкой качения , свободного кольца с дорожкой качения и набора шариков и сепаратора. Подшипники разъемные, то есть кольца с дорожкой качения и наборы шариков и сепаратора могут быть установлены по раздельности, просты в установке. 

Доступны одинарные упорные шариковые подшипники: 

с плоской опорной поверхностью 

со сферической опорной поверхностью 

Чтобы компенсировать несоосность между опорной поверхностью и валом, подшипники со сферической опорной поверхностью можно использовать со сферическим подкладным кольцом: 

со сферическимподкладным кольцом

Одинарные упорные подшипники могут воспринимать осевую нагрузку в одном направлении и таким образом фиксировать вал относительно оси. Они не могут воспринимать радиальную нагрузку. 
Двойные упорные подшипники 
Двойные упорные шарикоподшипники состоят из тугого кольца с дорожкой качения , свободного кольца с дорожкой качения, и двух наборов шариков и сепаратора. Подшипники разъемные, просты в установке. Различные части могут быть установлены по раздельности. Тугое кольцо с дорожкой качения и наборы шариков и сепаратора такие же как в одинарных упорных шарикоподшипниках. 

Доступны двойные упорные шариковые подшипники: 
 

с плоской опорной поверхностью 

со сферической опорной поверхностью

со сферической опорной поверхностью можно использовать со сферическим подкладным кольцом: 

со сферическимподкладным кольцом 

Двойные упорные подшипники могут воспринимать осевую нагрузку в двух направлениях и таким образом фиксировать вал относительно оси. Они не могут воспринимать радиальную нагрузку. 

11.png

заглавие

54315

Внутренний диаметр (d)

60 мм

Наружный диаметр (D)

135 мм.

высота (B)

87.2 мм.

весит

4.98 Кг